Robinienholz ist unter den europäischen Hölzern das widerstandsfähigste. Es kann ohne Imprägnierung im Außenbereich eingesetzt werden. Durch Witterungseinflüsse wird die Oberfläche silberfarbig. Eine stärkere Rissbildung, gegenüber anderen Holzarten, ist normal.
Eigenschaften:
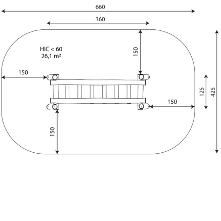
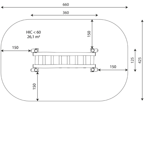
Konstruktion aus Robinie - sehr haltbares Akazienholz mit einem Durchmesser von ~ 18 cm ohne scharfe Kanten, witterungsbeständig
Kalibrierte Ketten aus rostfreiem Stahl, die ein Einklemmen der Finger verhindern
Schrauben mit Kunststoffkappen und/oder Schrauben aus rostfreiem Stahl